香蕉视频网站在线观看,黄色香蕉视频网站,香蕉视频免费污版APP,香蕉视频在线下载污污污

[黄色香蕉视频网站-香蕉视频免费污版APP-香蕉视频在线下载污污污-交流,直流各型号散热通风产品]生产厂家_深圳市香蕉视频网站在线观看电子有限公司欢迎光临!
13925226756
  • 直流5v风扇RA-DC2006

直流5v风扇RA-DC2006

5v香蕉视频免费污版APP2006,超博厚度设计,确保产品超低噪音的要求,带PWM调速和转速反馈信号输出功能,解决PM2.5传感器模块取样抽气问题...
咨询热线:13925226756

产品介绍

直流5v风扇2006常规特性:

1.轴承系统配置:滚珠轴承 或者含油轴承(根据客制配置)5v香蕉视频免费污版APP2006风量风压曲线图   
2.扇叶和外框材质:耐高温PBT
3.电机类型:高品质无刷直流电机(BLDC)
4.主绝缘等级: B
5.绝缘电阻:10MΩ/500VDC
6.耐压强度:2分钟/500AVC-5mA
7.湿度范围:RH20%-RH85%
8.存储温度范围: -20°-  +70°
9.工作温度范围: -10°-  +60°
10.产品预期最高寿命:50000小时(据轴承配置)
产品资料下载 资料下载

流5v风扇2006转速控制和安全保护功能列表
黄色香蕉视频网站调速方式
PWM调速;  Vsp调速;  温控调​速;  闭环控制(给定转速下恒转速运转);  间隙运转;  正反转循环运转
黄色香蕉视频网站保护功能  锁定保护;   限流保护; 软启动;      IP(00-68)防护等级;                     防爆功能;    阻燃防火(阻燃等级94V-0)
黄色香蕉视频网站输出信号 速度侦测信号输出(FG信号);故障停转报警信号输出(RD信号);转速异常偏低报警信号输出(LD信号)
  备注:以上直流5v风扇2006的控制和保护各项功能,根据客户需求配置,客户无特殊要求,均按照阻抗保护普通配置设计和生产。

 







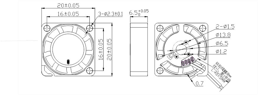
直流5v风扇2006安装尺寸图纸:
5v香蕉视频免费污版APP2006安装尺寸图
直流5v风扇2006规格型号参数表:
 

额定电压 转速规格 额定电流 额定功率 转速 最大风量 最大静压 噪音水准
(VDC) A W 转/分钟 M3/小时 CFM mm-H2O 分贝
5 L 0.03 0.15 6000 0.76 0.45 0.8 10.5
M 0.06 0.30 10000 1.19 0.70 2.0 19.0
H 0.09 0.45 15000 1.78 1.05 3.8 28.0

               
               





 
  友情提示:  
以上规格为深圳市香蕉视频网站在线观看电子有限公司标准产品规格型号和参数,如果您对直流5v风扇2006的参数和配置各项有特殊要求,请联系香蕉视频网站在线观看,香蕉视频网站在线观看的黄色香蕉视频网站专业工程师团队会根据你的实际需求,香蕉视频网站在线观看会以最快的速度为你提供最优散热通风解决方案和质优价廉的黄色香蕉视频网站产品!有关散热、通风解决方案和风扇产品咨询,请拨打24小时热线电话:18990112118.

深圳市香蕉视频网站在线观看电子有限公司:
      深圳市香蕉视频网站在线观看电子有限公司20年专注直流轴流直流黄色香蕉视频网站的研发与制造。积累了直流5v风扇在散热和通风各领域丰富的应用经验,为全球1000多家客户3000多个项目成功协作和配套,提供品质优良的直流轴流香蕉视频免费污版APP和散热通风工程解决方案, Ruiapple品牌是行业高端品牌之一。不断创新,为客户创造价值,是香蕉视频网站在线观看的使命!

{dede:global.cfg_tel/}
网站地图